GM3SEK's Technical Blog
Notes about current projects and topics, including followups to GM3SEK's Amateur Radio Technical Notebook
Menu
Skip to content
Home
GM3SEK ‘Odd-Boards’ for Sale
Welcome to GM3SEK.com
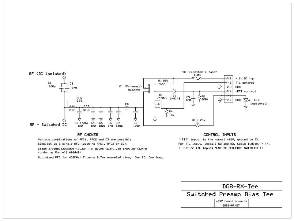
DG8-RX-Tee schematic
← Previous
Next →
Leave a comment
Cancel reply
Δ
Comment
Subscribe
Subscribed
GM3SEK's Technical Blog
Join 55 other subscribers
Sign me up
Already have a WordPress.com account?
Log in now.
GM3SEK's Technical Blog
Subscribe
Subscribed
Sign up
Log in
Copy shortlink
Report this content
View post in Reader
Manage subscriptions
Collapse this bar